Manuel Atelier Same Explorer 60II, 70II, 80II et 90II turbo
Description : Ce manuel d'atelier est un supplément pour les tracteurs pourvus de commandes électro-hydrauliques de 60 à 90 chevaux : Same Explorer 60II 70II 80II 90II turbo. Il contient 100 pages en français avec des schémas et des textes sur les réglages et les diagnostics des pannes. Publié en janvier 1989.
Ce manuel est aussi adapté pour les tracteurs suivants : Lamborghini 674-70, 774-80, 874-90 turbo Grand Prix - Hürlimann H358, H468, H478 et H488T Prestige.
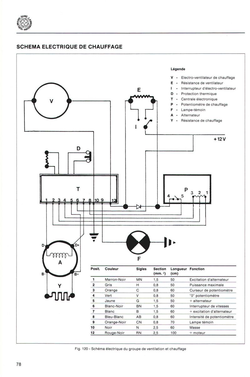
Sommaire : Données technique - Commandes electro-hydrauliques - Prise de force avant - Prise de force arrière - Boite de vitesses - Freins - Relevage hydraulique avant - Cabine de tracteur - Poste de conduite réversible - Equipement électrique.
Référence : same-man-46
Prix (en cdrom ou en téléchargement) : 25.00 €
Livraison immédiate si vous téléchargez le manuel en pdf. Expédié le lundi 3 novembre par la poste sur CDROM, si vous commandez aujourd'hui.
Tous les manuels sont livrés par téléchargement ou sur cdrom. Ces manuels peuvent être lus et imprimés à partir de votre ordinateur ou de votre tablette.
Aperçu des premières pages




