Manuel de service tracteurs Mc Cormick International Relevage hydraulique MODULOR "A" "B" "C"
Description : Ce guide du mécanicien est dédié au relevage hydraulique MODULOR "A" - "B" - "C" respectivement pour les tracteurs McCormick International "A": F-235, F-240 / "B": F-265, 323, 353, 383 / "C": 423, 453, 523, 624, 724. Les instructions contenues dans ce manuel sont destinées à renseigner et à guider le personnel qualifié responsable de la révision et de la réparation du relevage hydraulique. Plus de 30 pages, tout en français, publié en juin 1959.
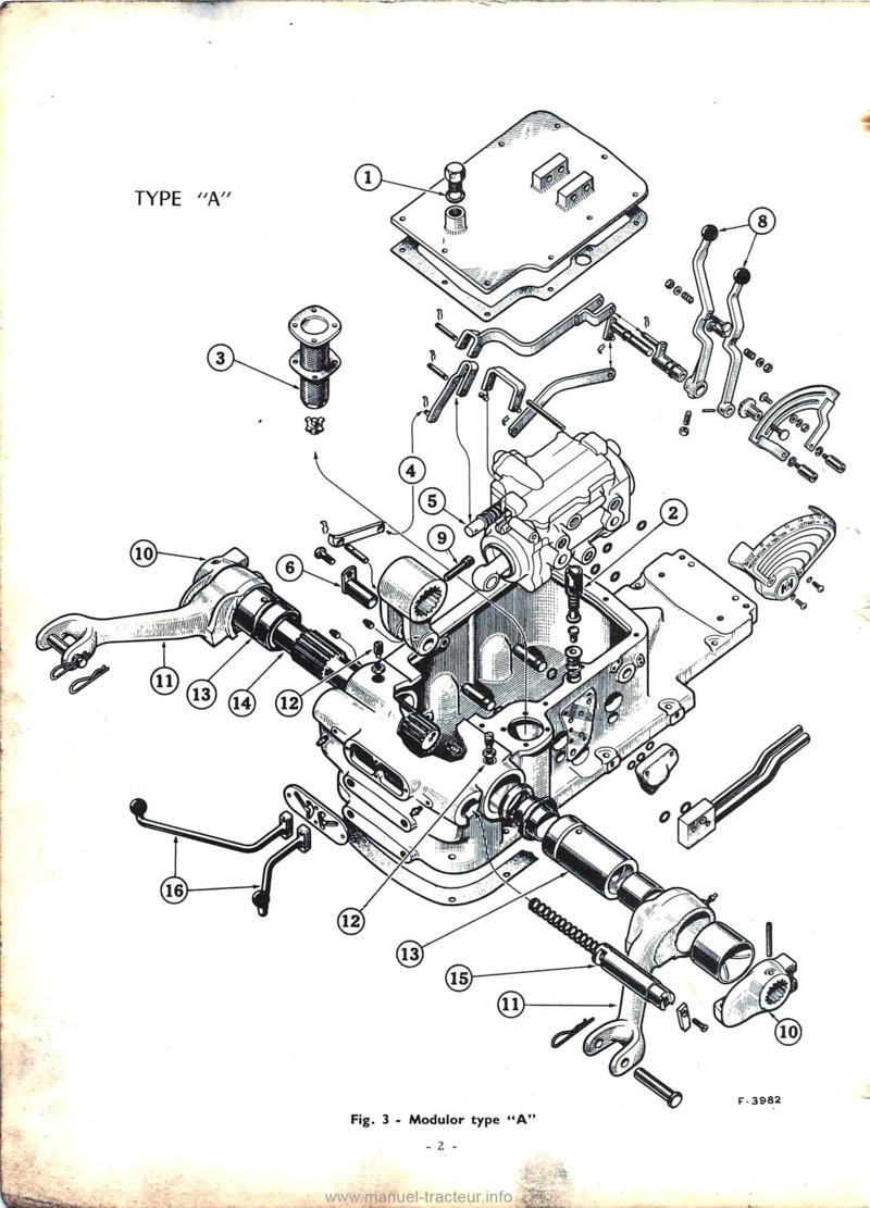
Sommaire : Caractéristiques - Dépose - démontage -Inspection - Remontage - Essais - Tableau de dépannage - Fonctionnement du relevage
Référence : mc-man-31
Prix (en cdrom ou en téléchargement) : 13.00 €
Livraison immédiate si vous téléchargez le manuel en pdf. Expédié le lundi 9 mars par la poste sur CDROM, si vous commandez aujourd'hui.
Tous les manuels sont livrés par téléchargement ou sur cdrom. Ces manuels peuvent être lus et imprimés à partir de votre ordinateur ou de votre tablette.
Voici la correspondance des types de relevage Modulor avec les séries de tracteurs de l'époque :
1. Modulor "A"
Le plus petit de la gamme, conçu pour les tracteurs de faible puissance. On le retrouve principalement sur les modèles destinés aux travaux légers ou de maraîchage.
- Modèles phares : McCormick F-235, F-237 et certains F-240.
- Usage : Idéal pour les outils portés légers nécessitant une modulation fine.
2. Modulor "B"
C’est sans doute le plus répandu, car il équipait la "moyenne gamme" qui a fait le succès de la marque durant la transition vers les séries plus modernes.
- Modèles phares : McCormick F-265, F-267 et surtout la célèbre série des 323, 353, 383. On le retrouve aussi sur les 423 (selon l'année/version).
- Usage : C'est le cœur de gamme, capable de gérer des charrues de taille moyenne avec un contrôle d'effort efficace.
3. Modulor "C"
Le modèle "Heavy Duty" pour les tracteurs de forte puissance de l'époque. Il possède une capacité de levage nettement supérieure et des vérins plus robustes.
- Modèles phares : Les tracteurs plus puissants comme le 453, 523, 624 et 724.
- Usage : Conçu pour les outils lourds et les travaux de traction intensive.
Aperçu des premières pages




